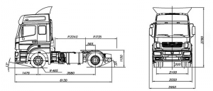
5490-053-87 Тягач КАМАЗ
Производитель: ПАО "КАМАЗ"
Колесная формула: 4х2
Тип ошиновки: Двускатная
Нагрузка на ССУ: 10,72 т.
Двигатель: Mercedes-Benz OM457LA (Евро-5) 401 л.с. Коробка передач: АКПП ZF 12AS2130 без интардера Передаточное отношение главной передачи: 3,077 Спальное место: Есть
Бак:700 л.
Высота ССУ: 1150 мм.
Если данная модель или ее характеристики не соответствуют вашим потребностям посмотрите другие седельные тягачи в нашем каталоге. Имеется большой выбор грузовых автомобилей под заказ.
Похожие предложения:
Артикул: 5490 80802 90
Артикул: 5490-014-87(S5)
Артикул: 5490-032-87(S5)
Артикул: 5490-033-87(S5)























